Uniside for 1998 Oldsmobile Regency
Vehicle
1998 Oldsmobile Regency
Change Vehicle
- Bumper & Components - Front
- Bumper & Components - Rear
- Console
- Cowl
- Door
- Door & Components
- Exterior Trim - Fender
- Exterior Trim - Front Door
- Exterior Trim - Pillars
- Exterior Trim - Quarter Panel
- Exterior Trim - Rear Door
- Fender & Components
- Front Door
- Glass - Front Door
- Glass - Rear Door
- Glass - Windshield
- Glass & Hardware - Back
- Grille & Components
- Hood & Components
- Inner Structure
- Instrument Panel
- Interior Trim - Front Door
- Interior Trim - Pillars
- Interior Trim - Quarter Panels
- Interior Trim - Rear Body
- Interior Trim - Rear Door
- Interior Trim - Roof
- Labels
- Lid & Components
- Lock & Hardware
- Outside Mirrors
- Quarter Panel & Components
- Radiator Support
- Rear Body & Floor
- Rear Door
- Reveal Moldings
- Roof & Components
- Seats & Track Components
- Sound System
- Structural Components & Rails
- Sunroof
- Trunk
- Uniside
- Wiper & Washer Components
- ABS Components
- Air Bag Components
- Alternator
- Alternator/Generator & Related Components
- Antenna & Radio
- Anti-Theft Components
- Backup Lamps
- Battery
- Battery & Related Components
- Bulbs - Chassis
- Controls
- Corner Lamps
- Cruise Control System
- Daytime Running Lamp Components
- Door
- Flashers
- Fog Lamps
- Front Door
- Front Seat Belts
- Headlamp Components
- High Mounted Stop Lamp
- Horn
- Ignition System
- Instruments & Gauges
- Keyless Entry Components
- License Lamps
- Lighting - Exterior
- Mirrors
- Park Lamps
- Power Seats
- Powertrain Control
- Rear Door
- Rear Seat Belts
- Senders
- Sensors
- Side Marker Lamps
- Starter
- Sunroof
- Switches
- Switches, Solenoids & Actuators
- Tail Lamps
- Trunk
- Voltage Regulator
- Wipers
- A/C Accumulator/Receiver Drier
- A/C Clutch & Compressor
- A/C Flow Restrictors
- Automatic Temperature Controls
- Blower Motor & Fan
- Condenser, Compressor & Lines
- Control Modules
- Controls
- Evaporator & Heater Components
- Heater
- Hoses & Pipes
- Motors, Core, Case & Related Components
- Sensors
- Switches & Sensors
- Switches, Solenoids & Actuators
- Bumper & Components - Front
- Bumper & Components - Rear
- Console
- Cowl
- Door
- Door & Components
- Exterior Trim - Fender
- Exterior Trim - Front Door
- Exterior Trim - Pillars
- Exterior Trim - Quarter Panel
- Exterior Trim - Rear Door
- Fender & Components
- Front Door
- Glass - Front Door
- Glass - Rear Door
- Glass - Windshield
- Glass & Hardware - Back
- Grille & Components
- Hood & Components
- Inner Structure
- Instrument Panel
- Interior Trim - Front Door
- Interior Trim - Pillars
- Interior Trim - Quarter Panels
- Interior Trim - Rear Body
- Interior Trim - Rear Door
- Interior Trim - Roof
- Labels
- Lid & Components
- Lock & Hardware
- Outside Mirrors
- Quarter Panel & Components
- Radiator Support
- Rear Body & Floor
- Rear Door
- Reveal Moldings
- Roof & Components
- Seats & Track Components
- Sound System
- Structural Components & Rails
- Sunroof
- Trunk
- Uniside
- Wiper & Washer Components
- ABS Components
- Air Bag Components
- Alternator
- Alternator/Generator & Related Components
- Antenna & Radio
- Anti-Theft Components
- Backup Lamps
- Battery
- Battery & Related Components
- Bulbs - Chassis
- Controls
- Corner Lamps
- Cruise Control System
- Daytime Running Lamp Components
- Door
- Flashers
- Fog Lamps
- Front Door
- Front Seat Belts
- Headlamp Components
- High Mounted Stop Lamp
- Horn
- Ignition System
- Instruments & Gauges
- Keyless Entry Components
- License Lamps
- Lighting - Exterior
- Mirrors
- Park Lamps
- Power Seats
- Powertrain Control
- Rear Door
- Rear Seat Belts
- Senders
- Sensors
- Side Marker Lamps
- Starter
- Sunroof
- Switches
- Switches, Solenoids & Actuators
- Tail Lamps
- Trunk
- Voltage Regulator
- Wipers
- A/C Accumulator/Receiver Drier
- A/C Clutch & Compressor
- A/C Flow Restrictors
- Automatic Temperature Controls
- Blower Motor & Fan
- Condenser, Compressor & Lines
- Control Modules
- Controls
- Evaporator & Heater Components
- Heater
- Hoses & Pipes
- Motors, Core, Case & Related Components
- Sensors
- Switches & Sensors
- Switches, Solenoids & Actuators
Browse Categories
Select category
- Bumper & Components - Front
- Bumper & Components - Rear
- Console
- Cowl
- Door
- Door & Components
- Exterior Trim - Fender
- Exterior Trim - Front Door
- Exterior Trim - Pillars
- Exterior Trim - Quarter Panel
- Exterior Trim - Rear Door
- Fender & Components
- Front Door
- Glass - Front Door
- Glass - Rear Door
- Glass - Windshield
- Glass & Hardware - Back
- Grille & Components
- Hood & Components
- Inner Structure
- Instrument Panel
- Interior Trim - Front Door
- Interior Trim - Pillars
- Interior Trim - Quarter Panels
- Interior Trim - Rear Body
- Interior Trim - Rear Door
- Interior Trim - Roof
- Labels
- Lid & Components
- Lock & Hardware
- Outside Mirrors
- Quarter Panel & Components
- Radiator Support
- Rear Body & Floor
- Rear Door
- Reveal Moldings
- Roof & Components
- Seats & Track Components
- Sound System
- Structural Components & Rails
- Sunroof
- Trunk
- Uniside
- Wiper & Washer Components
- ABS Components
- Air Bag Components
- Alternator
- Alternator/Generator & Related Components
- Antenna & Radio
- Anti-Theft Components
- Backup Lamps
- Battery
- Battery & Related Components
- Bulbs - Chassis
- Controls
- Corner Lamps
- Cruise Control System
- Daytime Running Lamp Components
- Door
- Flashers
- Fog Lamps
- Front Door
- Front Seat Belts
- Headlamp Components
- High Mounted Stop Lamp
- Horn
- Ignition System
- Instruments & Gauges
- Keyless Entry Components
- License Lamps
- Lighting - Exterior
- Mirrors
- Park Lamps
- Power Seats
- Powertrain Control
- Rear Door
- Rear Seat Belts
- Senders
- Sensors
- Side Marker Lamps
- Starter
- Sunroof
- Switches
- Switches, Solenoids & Actuators
- Tail Lamps
- Trunk
- Voltage Regulator
- Wipers
- A/C Accumulator/Receiver Drier
- A/C Clutch & Compressor
- A/C Flow Restrictors
- Automatic Temperature Controls
- Blower Motor & Fan
- Condenser, Compressor & Lines
- Control Modules
- Controls
- Evaporator & Heater Components
- Heater
- Hoses & Pipes
- Motors, Core, Case & Related Components
- Sensors
- Switches & Sensors
- Switches, Solenoids & Actuators
- Bumper & Components - Front
- Bumper & Components - Rear
- Console
- Cowl
- Door
- Door & Components
- Exterior Trim - Fender
- Exterior Trim - Front Door
- Exterior Trim - Pillars
- Exterior Trim - Quarter Panel
- Exterior Trim - Rear Door
- Fender & Components
- Front Door
- Glass - Front Door
- Glass - Rear Door
- Glass - Windshield
- Glass & Hardware - Back
- Grille & Components
- Hood & Components
- Inner Structure
- Instrument Panel
- Interior Trim - Front Door
- Interior Trim - Pillars
- Interior Trim - Quarter Panels
- Interior Trim - Rear Body
- Interior Trim - Rear Door
- Interior Trim - Roof
- Labels
- Lid & Components
- Lock & Hardware
- Outside Mirrors
- Quarter Panel & Components
- Radiator Support
- Rear Body & Floor
- Rear Door
- Reveal Moldings
- Roof & Components
- Seats & Track Components
- Sound System
- Structural Components & Rails
- Sunroof
- Trunk
- Uniside
- Wiper & Washer Components
- ABS Components
- Air Bag Components
- Alternator
- Alternator/Generator & Related Components
- Antenna & Radio
- Anti-Theft Components
- Backup Lamps
- Battery
- Battery & Related Components
- Bulbs - Chassis
- Controls
- Corner Lamps
- Cruise Control System
- Daytime Running Lamp Components
- Door
- Flashers
- Fog Lamps
- Front Door
- Front Seat Belts
- Headlamp Components
- High Mounted Stop Lamp
- Horn
- Ignition System
- Instruments & Gauges
- Keyless Entry Components
- License Lamps
- Lighting - Exterior
- Mirrors
- Park Lamps
- Power Seats
- Powertrain Control
- Rear Door
- Rear Seat Belts
- Senders
- Sensors
- Side Marker Lamps
- Starter
- Sunroof
- Switches
- Switches, Solenoids & Actuators
- Tail Lamps
- Trunk
- Voltage Regulator
- Wipers
- A/C Accumulator/Receiver Drier
- A/C Clutch & Compressor
- A/C Flow Restrictors
- Automatic Temperature Controls
- Blower Motor & Fan
- Condenser, Compressor & Lines
- Control Modules
- Controls
- Evaporator & Heater Components
- Heater
- Hoses & Pipes
- Motors, Core, Case & Related Components
- Sensors
- Switches & Sensors
- Switches, Solenoids & Actuators
No.
Part # / Description / Price
Price
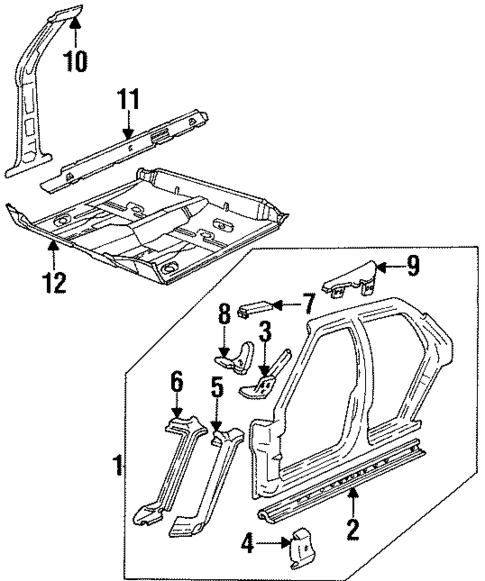
2
Rocker Reinforced
GM
GM Positions: Right
Notes: PARTS: Included in uniside assembly.
Description: Rocker panel.
2
Rocker Reinforced
GM
GM Positions: Left
Notes: PARTS: Included in uniside assembly.
Description: Rocker panel.
5
Windshield Frame
GM
GM Positions: Right
Notes: PARTS: Included in uniside assembly.
Description: Outer.
5
6
Windshield Frame
GM
GM Positions: Right
Notes: PARTS: Included in uniside assembly.
Description: Inner.
6
7
7
8
8